GO
DZ47-125DDZ47-125D2DZ47-125D3

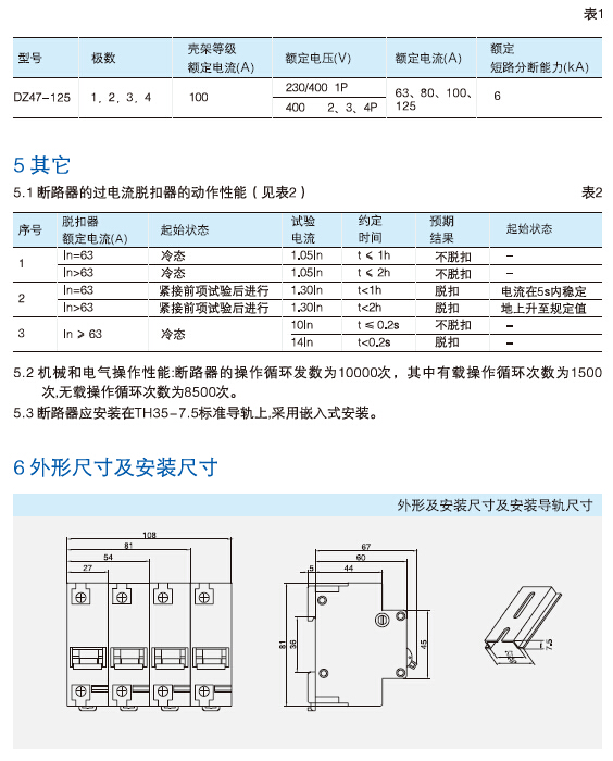
DZ47-125系列小型断路器

所属分类:小型断路器

PDF File:

在线客服

九游网页版客服1

1428967121

九游网页版客服2

2281824741