GO
2d

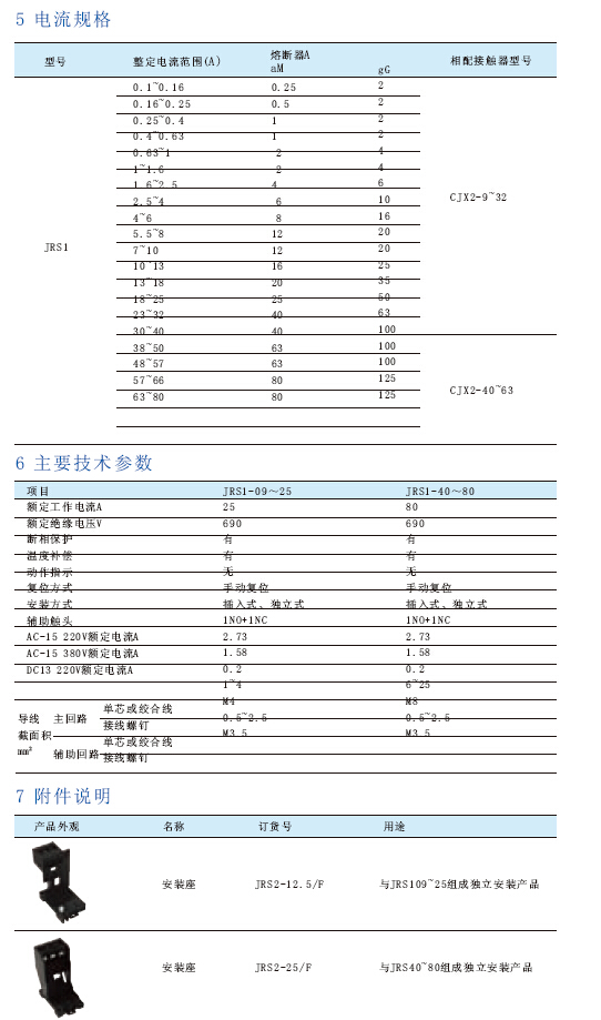
JRS1系列热继电器

所属分类:热继电器、中间继电器

PDF File:

在线客服

九游网页版客服1

1428967121

九游网页版客服2

2281824741